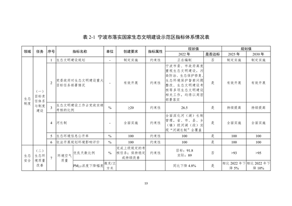
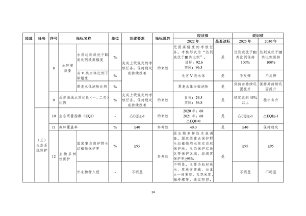
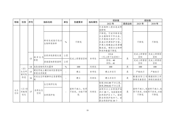
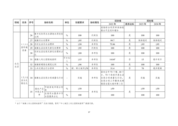
宁波市生态环境局发布关于公开征求《宁波市生态文明建设示范区规划(2023—2030年)(征求意见稿)》意见的公告,以宁波建设现代化滨海大都市和高质量发展建设共同富裕先行市为契机,积极探索具有宁波特色的生态文明建设新理念、新路径、新举措,通过生态制度、生态安全、生态空间、生态经济、生态生活、 生态文化等“六大体系”建设,成功创建国家生态文明建设示范区,形成临港制造业城市生态文明建设的典范模式,为全国生态文明建设提供“宁波方案”。
关于公开征求《宁波市生态文明建设示范区规划(2023—2030年)(征求意见稿)》意见的公告
为进一步提升我市生态文明建设水平,全域推进生态文明示范创建,根据《国家生态文明建设示范区规划编制指南(试行)》(环办生态函〔2021〕146号)、《国家生态文明建设示范区管理规程(修订版)》(环办生态函〔2021〕353号)和《国家生态文明建设示范区建设指标(修订版)》(环办生态函〔2023〕209号)等文件要求,我局牵头编制了《宁波市生态文明建设示范区规划(2023—2030年)》。现特向社会各界征求意见,如有修改意见和建议,请于2023年8月9日前反馈至我局。
联系人:郑佳飞 联系电话:0574-87169042
电子邮箱:1044416090@qq.com





























上一页1234下一页

