产品展示
您好,欢迎访问动长环保科技有限公司网站
加入收藏
网站首页
关于我们
产品展示
新闻资讯
国内新闻
国际新闻
产品报道
政策法规
您的位置:
首页
>
产品展示
.
产品展示
推荐产品
《凉山州新污染物治理实施方案》征求意见
时间:2026-02-11 05:35:46
浏览量:586
《盘锦市大气污染防治条例》发布
时间:2026-02-11 05:35:45
浏览量:765
甘肃省征集2023年国家鼓励发展的重大环保技术装备
时间:2026-02-11 05:35:44
浏览量:620
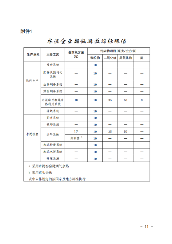
福建省印发《关于全面实施水泥行业超低排放改造的意见》
时间:2026-02-10 05:37:17
浏览量:529
150万吨碳排放配额!北京发布通告:开展2022年度碳排放配额有偿竞价发放
时间:2026-02-10 05:37:16
浏览量:896
首页
上一页
51
52
53
54
55
下一页
末页
推荐资讯
©2026 动长环保科技有限公司 版权所有 备案号:
网站地图