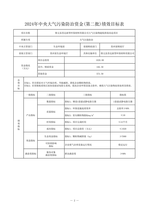
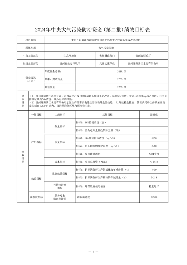
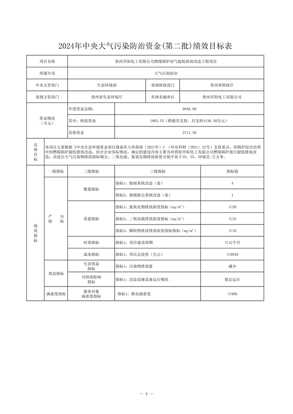
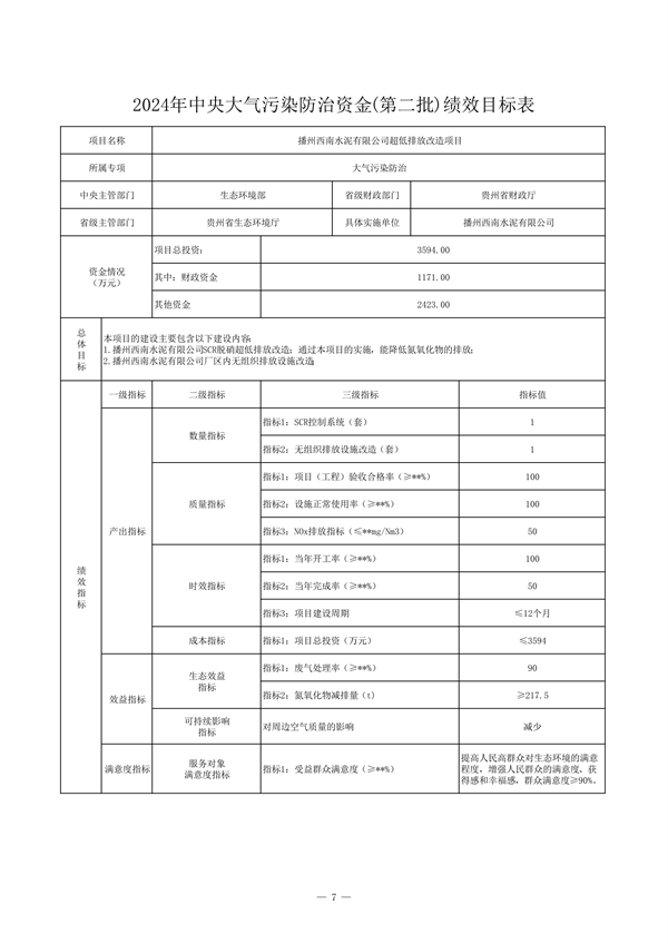
贵州省财政厅 贵州省生态环境厅10月21日发文,关于下达2024年中央大气污染防治资金(第二批)预算,本次下达24425万元,用于支持修文县苏达新型环保材料有限公司大气污染物超低排放改造项目等15个项目。
省财政厅 省生态环境厅关于下达2024年中央大气污染防治资金(第二批)预算的通知
黔财资环〔2024〕92号
有关市(州)财政局、生态环境局,省生态环境厅:
根据《财政部关于提前下达2024年大气污染防治资金预算的通知》(财资环〔2023〕110号)和《财政部关于下达2024年度大气污染防治资金(第二批)预算的通知》(财资环〔2024〕66号),现下达2024年中央大气污染防治资金(第二批)预算24425万元,有关事项通知如下:
一、省本级请将该项资金支出列入2024年一般公共预算支出功能分类科目“2110301大气”,政府预算支出经济分类科目列入“50299其他商品和服务支出”;省对下请将该项资金收入列入2024年一般公共预算收入科目“1100311节能环保”,支出列入2024年一般公共预算支出功能分类科目“2110301大气”。专项资金专款专用,不得截留、挤占和挪用,不得随意改变资金用途或扩大资金使用范围。
二、按照《省人民政府关于深化财政省直管县管理体制改革的指导意见》(黔府发〔2019〕13号)、《省财政厅关于落实省对下转移支付资金分配管理有关事宜的通知》(黔财市县〔2020〕5号)文件精神,为落实和强化项目资金管理职责,加强市(州)对中央和省级财政资金的统筹、监管力度,结合生态环境部门机构改革,专项资金下达市(州),由市(州)生态环境局统筹项目管理,监督项目实施。请市(州)财政部门和项目主管部门及时分配拨付专项转移支付资金,并加强对项目建设和资金使用绩效等的监督管理。
三、请严格按照《财政部关于修改〈大气污染防治资金管理办法〉的通知》(财资环〔2022〕106号)等规定,加强专项资金管理,保障打赢蓝天保卫战重点任务,切实提高财政资金使用绩效。对已从中央基建投资等其他渠道获得中央财政资金支持的项目,不得纳入防治资金支持范围。
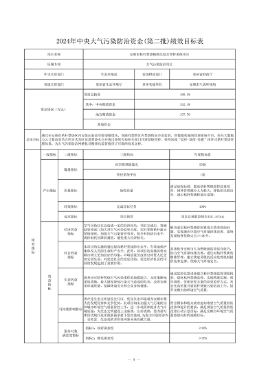
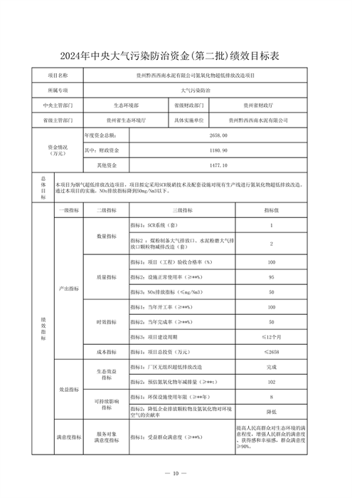
四、为进一步加强预算绩效管理,请按照《中共中央 国务院关于全面实施预算绩效管理的意见》的要求,对照下达的绩效目标组织开展绩效运行监控,做好绩效评价,确保绩效目标如期实现。省生态环境厅将会同省财政厅对专项资金支持的项目按年度进行绩效评价,绩效评价结果将作为下一年度专项资金安排和政策调整的重要依据。
附件:1.2024年中央大气污染防治资金(第二批)安排情况表
2.2024年中央大气污染防治资金(第二批)绩效目标表


















