2024年1月2号,安徽省生态环境厅、安徽省发展和改革委员等六个部门联合印发了《安徽省低挥发性有机物含量原辅材料替代工作方案》。
《工作方案》明确工作目标为,到2025年底前,推进汽车整车制造、木质家具、汽车零部件、工程机械、钢结构、船舶制造等领域3100余家重点企业实施低VOCs含量涂料源头替代及工艺改造,原则上实现“应替尽替”。
安徽省低挥发性有机物含量原辅材料替代工作方案
开展低挥发性有机物含量原辅材料替代工作,是实现挥发性有机物(VOCs)源头减排的重要手段,对降低企业生产成本,推进污染物减排具有明显成效。为助力深入打好臭氧污染防治攻坚战,扎实推进含VOCs原辅材料源头替代行动,加快实施低VOCs含量原辅材料替代,促进重点行业企业绿色转型发展,对标学习沪苏浙鲁等省市先进经验,制定本工作方案。
一、总体思路
聚焦重点领域、重点行业、重点产业集群和重点企业,坚持“统筹兼顾、分类管理、梯次推进”的工作原则,围绕含VOCs原辅材料使用和含VOCs产品生产、销售、流通环节,积极推进使用低(无)VOCs含量原辅材料和环境友好型技术替代,全面落实含VOCs产品质量标准,源头推进VOCs排放量削减,持续改善全省环境空气质量,助力推动减污降碳协同增效。
二、工作目标
到2025年底前,推进汽车整车制造、木质家具、汽车零部件、工程机械、钢结构、船舶制造等领域3100余家重点企业(附件1)实施低VOCs含量涂料源头替代及工艺改造,原则上实现“应替尽替”。
全面排查使用溶剂型涂料、油墨、胶粘剂、清洗剂以及涉及有机化工生产的产业集群,2025年底前基本实现溶剂型工业涂料、油墨、胶粘剂“能替则替”。在房屋建筑和市政工程领域,全面推广使用低VOCs含量涂料和胶粘剂,除特殊功能要求外的室内地坪施工、室外构筑物防护和城市道路交通标志基本使用低VOCs含量涂料。
面向含VOCs原辅材料使用企业和含VOCs产品生产、销售、进口企业,建立完善含VOCs原辅材料达标情况联合执法机制,落实低VOCs含量产品标识制度,实现“真替真用”。
三、重点任务
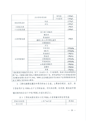
(一)加强替代管理。工业涂装、包装印刷、竹木加工、家具制造、汽车修理与维护、鞋和皮革制品制造等重点行业企业,要按照《低挥发性有机物含量原辅材料源头替代技术指引(试行)》(附件3)要求,开展低VOCs原辅材料和生产方式替代,优化管控台账及档案管理,持续提升环境管理水平。各地要根据《关于深入开展挥发性有机物污染治理工作的通知》(皖大气办〔2021〕4号)要求,在认真梳理2021至2023年度VOCs源头削减治理项目清单基础上,对涉VOCs重点行业和使用溶剂型涂料、油墨、胶粘剂、清洗剂以及涉及有机化工生产的产业集群进行再排查,将含VOCs原辅材料使用企业全面纳入源头替代企业排查台账(附件2),对具备替代条件的,加强调度指导;对无法替代的,要开展论证核实,严格把关并逐一说明。
(二)严格项目准入。根据《低挥发性有机化合物含量涂料产品技术要求》(GB/T 38597-2020)要求,进一步完善VOCs排放管控地方标准建设,细化相关行业涂料种类及各项污染物指标限值,编制实施固定源挥发性有机物综合排放标准和制鞋、汽修、木材等行业大气污染物排放标准。禁止建设生产和使用高VOCs含量的溶剂型涂料、油墨、胶黏剂等项目,全省工业涂装、包装印刷等重点行业和涂料、油墨等生产企业的新(改、扩)建项目需满足低(无)VOCs含量限值要求。省内市场上流通的水性涂料等低VOCs含量涂料产品,执行《低挥发性有机化合物含量涂料产品技术要求》,应在包装标志或产品说明上标明符合标准的分类、产品类别及产品类型(或施涂方式)。
(三)强化示范带动。结合产业特点,实施工业涂装、包装印刷重点行业低VOCs含量原辅材料源头替代企业豁免末端治理设施试点,完善建立含VOCs物料生产端和使用端清洁原辅材料替代正面清单。各地要将全部生产水性、粉末、无溶剂、辐射固化涂料以及水性和能量固化油墨、水基和半水基清洗剂、水基型和本体型胶粘剂的生产企业,以及已经完全实施低VOCs含量清洁原料替代,排放浓度稳定达标且排放速率、排放绩效等满足相关规定的企业,纳入正面清单管理,在重污染天气应对、环境执法检查、政府绿色采购、绿色工厂及清洁生产评价、绿色产品认证、企业信贷融资等方面,给予政策倾斜。以工业涂装和包装印刷为行业试点,实施低VOCs原辅材料替代企业豁免挥发性有机物末端治理鼓励政策(附件4),规范引导企业积极开展源头替代工作。要充分发挥行业协会作用,邀请行业协会、专业检测机构等技术专家参与审核抽查工作,经各市审核确定的符合豁免条件的企业,相应生产工序可不要求建设末端治理设施或VOCs无组织排放收集处理设施。
四、保障措施
(一)加强组织领导。省直有关部门要根据本工作方案要求,按照工作职责,指导各市开展相关领域相关行业的源头替代工作。各市要坚持属地管理原则,负责低VOCs含量原辅材料替代工作的具体组织、协调、调度工作,推动建立职能部门各司其职、协同联动的工作机制,组织生态环境、发改、经信、公安、住建、城管、市场监管等部门开展联合行动,对替代进度滞后的企业加大督促帮扶力度,督促推进城市道路交通标志基本使用低VOCs含量涂料。发改部门要重点关注备案的项目所使用的涂料、油墨、胶粘剂、清洗剂等原辅材料是否符合国家相关产业政策,对不符合要求的,不予备案;经信部门要推动将低(无)VOCs含量原辅材料或产品使用纳入省级绿色工厂评价体系;住建部门要指导督促房屋建筑和市政工程项目全面推广使用低VOCs含量涂料和胶粘剂,推动将低(无)VOCs含量原辅材料或产品使用纳入绿色建筑标识管理;市场监管部门要对生产、销售涂料、油墨、胶黏剂等含VOCs的产品开展监督抽查,严厉打击生产销售不合格产品的违法行为;生态环境部门要牵头督促企业开展低VOCs含量原辅材料替代,按程序组织审核低VOCs含量原辅材料源头替代企业豁免申请,对相关部门移交的问题企业依法处置,结合实际依法对VOCs废气进行收集和治理。按照生态环境部《关于加快解决当前挥发性有机物治理突出问题的通知》(环大气〔2021〕65号)中“产品VOCs含量”问题排查整治工作要求,各市生态环境局每月5日前将本市源头替代台账报送至省生态环境厅。
(二)强化政策保障。充分发挥政策引导作用,对低(无)VOCs含量原辅材料替代项目,通过省级生态环境专项资金等渠道依规予以支持。各市要积极争取中央和省级大气污染防治资金,统筹安排资金开展低VOCs含量原辅材料替代工作。对实施替代企业涉及的技术改造、工艺调整要简化审批环节,削减材料、压缩时限、提高效率;对申请豁免挥发性有机物末端治理的企业要加强服务指导,通过组织专题培训、现场指导、发放明白纸等方式开展送技术、送政策活动。贯彻落实政府采购政策,加大绿色低碳产品采购力度,积极推广应用环境标志产品和绿色产品。鼓励和引导金融机构对符合条件的企业,尤其是中小企业提供信贷支持,积极搭建银企对接平台,加强对金融投放的指导和咨询服务。
(三)实施差异监管。加强技术培训和执法能力建设,将低VOCs含量原辅材料替代政策、VOCs法规标准体系等纳入执法培训内容,把VOCs执法检查作为环境执法大练兵的重要内容,有效带动提升执法能力。要综合考虑企业生产工艺、原辅材料使用情况、无组织排放管控水平、污染治理设施运行效果等,树立行业标杆,引导产业转型升级。对标杆企业和纳入正面清单的企业,在省市级专项督查和执法检查中做到无事不扰;对替代进度滞后、无组织排放管控不力、治污设施低效无法稳定达标排放的企业,加大联合检查力度。要建立完善多部门联合执法机制,严格执行涂料、油墨、胶粘剂、清洗剂VOCs含量限值标准,定期对生产企业、销售场所进行抽检抽查,增加对使用环节的检测与监管,在每年5月、6月、9月的臭氧高发季节加大检测频次,曝光不合格产品并追溯其生产、销售、进口、使用企业,依法追究责任。
(四)加大宣传引导。各地要加强低VOCs含量原辅材料替代工作政策解读和技术指导,对已经完成低(无)VOCs含量原辅材料替代或工艺改造的企业,要及时总结经验成果,通过召开行业现场观摩会,推广绿色产品使用理念,增强排污单位环保意识,推进替代工作落实。加强信息公开、畅通举报渠道,向公众宣传推广使用水性涂料等低(无)VOCs含量原辅材料的重要性、迫切性,鼓励购买水性涂料等低VOCs含量产品,引导形成文明、节约、绿色、低碳的消费方式和生活习惯,助力改善环境空气质量。




































