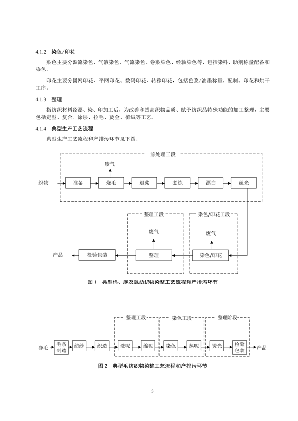
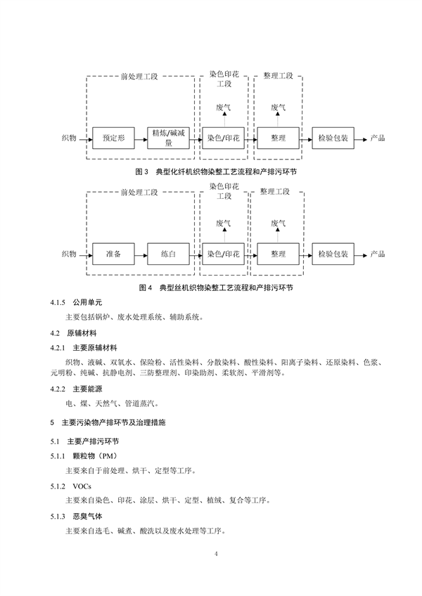
为贯彻落实精准治污、科学治污、依法治污的要求,进一步指导各地做好大气污染防治绩效评级工作,促进全省重点行业环境管理水平提质增效,参照生态环境部《重污染天气重点行业应急减排措施制定技术指南(2020年修订版)》要求,浙江省生态环境厅制定了《浙江省重点行业大气污染防治绩效分级技术指南 纺织染整(试行)》。本文件明确了纺织染整工业的绩效分级指标、减排措施和核查方法,涵盖企业原辅材料、装备和工艺水平、能源、无组织排放、废气治理工艺、污水收集和处理、排放限值、监测监控水平、环境管理水平、运输方式等要求。













为贯彻落实精准治污、科学治污、依法治污的要求,进一步指导各地做好大气污染防治绩效评级工作,促进全省重点行业环境管理水平提质增效,参照生态环境部《重污染天气重点行业应急减排措施制定技术指南(2020年修订版)》要求,浙江省生态环境厅制定了《浙江省重点行业大气污染防治绩效分级技术指南 纺织染整(试行)》。本文件明确了纺织染整工业的绩效分级指标、减排措施和核查方法,涵盖企业原辅材料、装备和工艺水平、能源、无组织排放、废气治理工艺、污水收集和处理、排放限值、监测监控水平、环境管理水平、运输方式等要求。












